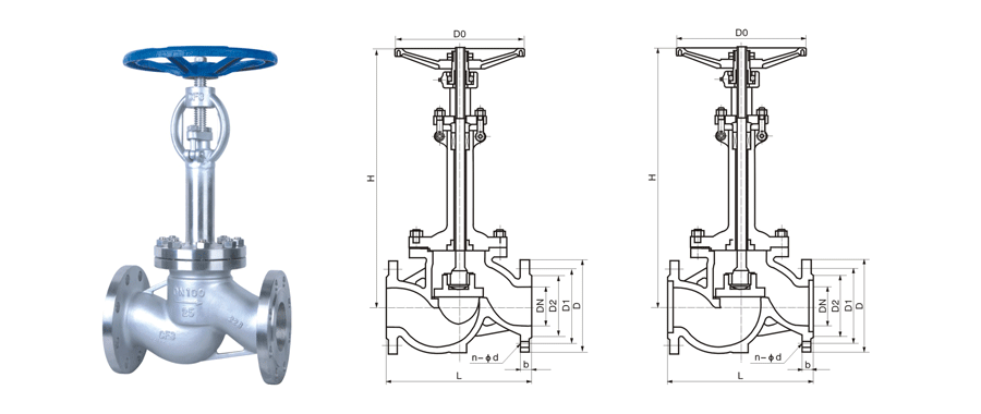
| 1.6MPa | DN | L | D | D1 | D2 | b | n-d | H | D0 | ||
|---|---|---|---|---|---|---|---|---|---|---|---|
| -46°C | -101°C | -196°C | |||||||||
| 凸面法蘭 RF DJ41Y-16L DJ41Y-16LC1 DJ41Y-16LC2 DJ41Y-16LC3 DJ41Y-16LC4 DJ41Y-16P DJ41Y-16R |
50 | 230 | 160 | 125 | 100 | 16 | 4-18 | 460 | 480 | 520 | 240 |
| 65 | 290 | 180 | 145 | 120 | 18 | 4-18 | 475 | 505 | 525 | 280 | |
| 80 | 310 | 195 | 160 | 135 | 20 | 8-18 | 520 | 550 | 590 | 280 | |
| 100 | 350 | 215 | 180 | 155 | 20 | 8-18 | 545 | 575 | 615 | 320 | |
| 125 | 400 | 245 | 210 | 185 | 22 | 8-18 | 590 | 620 | 660 | 360 | |
| 150 | 480 | 280 | 240 | 210 | 24 | 8-23 | 650 | 680 | 730 | 400 | |
| 200 | 600 | 335 | 295 | 265 | 26 | 12-23 | 850 | 880 | 930 | 400 | |
| 250 | 650 | 405 | 355 | 320 | 30 | 12-25 | 956 | 986 | 1036 | 450 | |
| 300 | 750 | 460 | 410 | 375 | 30 | 12-25 | 1095 | 1125 | 1175 | 500 | |
| 2.5MPa | 50 | 230 | 160 | 125 | 100 | 20 | 4-18 | 460 | 460 | 520 | 240 |
| 凸面法蘭 RF DJ41Y-25LCB DJ41Y-25LC1 DJ41Y-25LC2 DJ41Y-25LC3 DJ41Y-25LC4 DJ41Y-25P DJ41Y-25R |
65 | 290 | 180 | 145 | 120 | 22 | 8-18 | 475 | 505 | 525 | 280 |
| 80 | 310 | 195 | 160 | 135 | 22 | 8-18 | 520 | 550 | 590 | 280 | |
| 100 | 350 | 230 | 190 | 160 | 24 | 8-23 | 545 | 575 | 615 | 320 | |
| 125 | 400 | 270 | 220 | 188 | 28 | 8-25 | 590 | 620 | 660 | 360 | |
| 150 | 480 | 300 | 250 | 218 | 30 | 8-25 | 650 | 680 | 730 | 400 | |
| 200 | 600 | 360 | 310 | 278 | 34 | 12-25 | 850 | 880 | 930 | 400 | |
| 250 | 650 | 425 | 370 | 332 | 36 | 12-30 | 956 | 986 | 1036 | 450 | |
| 300 | 750 | 485 | 430 | 390 | 40 | 16-30 | 1095 | 1125 | 1175 | 500 | |
| 1.0MPa | 50 | 230 | 160 | 125 | 100 | 20 | 4-18 | 483 | 504 | 546 | 240 |
| 凸面法蘭 M FM DJ41Y-40L DJ41Y-40LC1 DJ41Y-40LC2 DJ41Y-40LC3 DJ41Y-40LC4 DJ41Y-40P DJ41Y-40R |
65 | 290 | 180 | 145 | 120 | 22 | 8-18 | 499 | 530 | 551 | 280 |
| 80 | 310 | 195 | 160 | 135 | 22 | 8-18 | 546 | 578 | 320 | 280 | |
| 100 | 350 | 230 | 190 | 160 | 24 | 8-23 | 572 | 604 | 646 | 320 | |
| 125 | 400 | 270 | 220 | 188 | 28 | 8-25 | 620 | 651 | 693 | 360 | |
| 150 | 480 | 300 | 250 | 218 | 30 | 8-25 | 683 | 741 | 767 | 400 | |
| 200 | 600 | 375 | 320 | 282 | 38 | 12-30 | 893 | 824 | 977 | 400 | |
| 250 | 650 | 445 | 385 | 345 | 42 | 12-34 | 1004 | 1035 | 1088 | 450 | |
| 300 | 750 | 510 | 450 | 408 | 46 | 16-34 | 1150 | 1181 | 1234 | 500 | |